ME-40 Công tơ điện tử 3 pha 4 dây
Nhà sản xuất: Gelex
Mã sản phẩm: ME-40
Mô tả: Công tơ điện tử 3 pha 4 dây ME-40 1 biểu giá. ME-40 đo đếm các thông số điện V, A, kW, kVAr, PF,.. Cảnh báo mất pha, pin yếu,... trên màn hình hiển thị. Hỗ trợ chức năng chốt dữ liệu hóa đơn theo ngày.
Giá bán: Liên hệ
Thông tin sản phẩm
Công tơ điện tử 3 pha 4 đây ME-40
Thông số kỹ thuật
|
Loại sản phẩm
|
Công tơ điện tử 3 pha 4 dây
|
|
Mã sản phẩm
|
ME-40
|
|
Nhãn hiệu
|
Gelex
|
|
Xuất xứ
|
Việt Nam
|
|
Điện áp
|
3x220/380V, 3x230/400V
|
|
Tần số
|
50Hz +- 2Hz
|
|
Dòng điện
|
3x5(10)A | 3x5(100)A
|
|
Trọng lượng
|
|
|
Cấp chính xác
|
Hữu công CI.0.5.S | Hữu công CI.1
Vô công CI.2 | Vô công CI.2
|
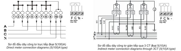
Sơ đồ đấu công tơ điện tử 3 pha 4 dây ME-43

Ms. Nguyễn Thị Mỹ Hạnh
- Mobile/Zalo: 0904.542.598
- Email: hanhnt@dtech.vn